A Deep Learning Based Enhancing the Power by Reducing the Harmonics in Grid Connected Inverters

Subramanya Sarma S1,*, K. Sarada2, P. Jithendar3, Telugu Maddileti4 and G. Nanda Kishor Kumar5

1Department of EEE Ramachandra College of Engineering Vatluru, Eluru-534007, Andhra Pradesh, India
2Department of Electrical & Electronics Engineering, Koneru Lakshmaiah Education Foundation, Vaddeswaram, Andhra Pradesh, India
3Department of Electrical and Electronics Engineering, MLR institute of Technology, Hyderabad, India
4Department of ECE, Malla Reddy Engineering College (A), Telangana-500100, India
5Computer Science and Engineering, Malla Reddy University, Hyderabad, Telangana, India
E-mail: sssarma.eee@gmail.com; saradak@kluniversity.in; p.jithendar@mlrinstitutions.ac.in; madhu14283@gmail.com; dr.gnandakishor@gmail.com
*Corresponding Author

Received 25 February 2023; Accepted 25 August 2023; Publication 02 November 2023

Abstract

The increasing use of renewable energy systems has led to a rise in the number of grid-connected inverters, which can have a detrimental effect on the superiority and constancy of grid electricity due to the injected current harmonics. In this study, the proportional integral (PI) and proportional resonant (PR) controllers have been investigated for their effectiveness in reducing harmonics in grid-connected inverters. The study also investigates the impact of harmonics compensators (HC) on the control strategies.

The results of the study suggest that the implementation of PI and PR controllers in the synchronous frame can effectively reduce the injected current harmonics in grid-connected inverters. The use of harmonics compensators can further enhance the performance of the controllers by reducing the distortion and improving the stability of the grid. The efficiency of the regulator strategies be contingent on the type and level of harmonics in the grid, as well as the design and tuning of the controllers and compensators.

The statement that the “PR+HC controller has a superior quality output current” is more specific and suggests that this control method may be more effective than the others in reducing harmonics and enlightening the value of the productivity current. The comparison of the IEEE 1547 standard by three viable inverters from diverse constructors is also noteworthy, as it can provide insights into the compatibility and performance of different types of inverters with the standard. The use of deep learning with the RCNN network for analyzing harmonics and providing information about power is an interesting application of machine learning in power systems research. This approach may have the probable to development the accuracy and competence of harmonics analysis as well as power monitoring in grid-connected inverters.

Overall, the study highlights the importance of effective control strategies for managing harmonics in grid-connected inverters, particularly in the context of the increasing usage of renewable energy systems. The findings of the study can inform the development of more efficient and reliable grid-connected inverters, which are essential for the incorporation of renewable energy systems into the power grid.

Keywords: RCNN, power, inverter, IEEE 1547.

1 Introduction

In current centuries, the decline in the quantity of new fossil-fuel-based conventional power plants is due to environmental regulations and policies. To address this issue, distributed generation (DG) is becoming more popular as a clean option that utilizes renewable energy sources (RES). Power electric convertors have been used in new energy systems and DG to regulate regularity or energy. The use of power electronics has become popular in the industrial, commercial, and residential sectors to cut costs and size while improving performance and quality. However, the foremost downside of control microchip technology converters is harmonic emissions at low and/or high frequencies (under and above 2.0 kHz).

Each DG plant must have at least one inverter for converting DC to AC. The most common method for converting a converter’s DC voltage into AC is pulse width modulation (PWM). Several mathematical models have been proposed for the PWM technique, with the Fourier-dependent technique being the most extensively acknowledged as the greatest valuable element. To reduce ripples and harmonics at the inverter terminals, the LCL filter can be used.

To limit the amount of grid current inaccuracy, an inverter linked to the grid must have a current controller. More efficient current controllers for grid-tied inverters employing LCL-type technology have been proposed in recent publications. The current in a Five-level packed U-Cell inverter is controlled by a linear quadratic regulator with integral action, which reduces grid voltage distortion and eliminates certain harmonics from the system.

The solidity and consonant rejection of an inverter is critical factors. To ensure inverter stability, it is essential to obtain the desired output in terms of extent and time. A great inactive sequence dampening device is often associated to the middle branch of the LCL mesh to stabilize it. The main drawback of harmonics is that they modify the output waveform. In previous decades, harmonic emissions from the electrical grid were limited to lower electromagnetic spectrum frequencies (2 kHz).

images

Figure 1 A grid-connected inverter in action.

The harmonic spectrum formed by power systems today encompasses frequencies up to 150 kHz as a result of significant developments in dynamic front-end control electronic-based technologies. Various investigations have discovered harmonics in the 2–150 kHz frequency range. Harmonics are shown to be substantial up to 150 kHz, according to the research. Since most modern power electrical equipment has a switching frequency higher than 2 kHz, this issue is completely understood in residential, commercial, and industrial networks. For all its detrimental effects on equipment aging and the quality of the power grid, high-frequency harmonics have yet to be well studied and so have not been given much concern in standardization. Investigations into this frequency range have shown, however, that a comprehensive standard is required. Nonlinearities inherent in PWM inverters may interact with harmonics introduced by the orientation signal, the outside grid, and the DC link. Voltage harmonics of the grid are the topic of a variety of useful publications, including those that examine critical harmonic circumstances and/or mitigation measures. An equivalent impedance-based model is used to investigate grid-connected inverter resonance in various situations of positive, negative, and complete resonance. This study defines full resonance as the sum of the network and inverter output resistances being zero. Positive or negative imperfect resonance may be achieved by a zero-sum of the grid or output impedance and resistance. This research also looks at the harmonic amplification in these three scenarios. When the stability margins are narrowest, there are more harmonics. In spite of this, the research doesn’t take into consideration both the orientation signal and the PWM harmonics. Increase the linear modulation range of an H-bridge single-phase grid inverter by employing a better tertiary harmonic correction technique. The suggested approach makes use of a positive third harmonic to recompense for the inserted harmonic by using the equal quantity of negative third hormonic. However, despite its ability to cancel the third harmonic, the method hasn’t been used to harmonic instructions higher than three. A solution has not been identified for harmonics in the reference signal or PWM output of the system explored in this paper.

Several papers have explored the rejection of inverter switching harmonics. The ripples of a 3-phase inverter associated to an unstable load were studied. The active switching strategy reduces DC-link capacitance harmonic voltages. For 2-level voltage source inverters, an AC ripple may be used to anticipate the DC-link current. These converters are used to convert pulse amplitude modulation (PAM) to pulse width modulation (PMW). Bsin(ωO(t)+φi).

images

Figure 2 PLL’s components.

In addition, harmonic distortions from the orientation signal, outside grid, DC-link, and non-linearities inherent in PWM inverters may affect their performance. To gain more knowledge about harmonic voltage grid issues and mitigation measures, one can refer to the numerous informative resources provided in Figure 2. The PLL is commonly used in applications such as clock synchronization, frequency synthesis, and signal demodulation. In the context of power electronics, PLLs are often utilized to synchronize the inverter outcome voltage with the grid current to ensure a stable and reliable power transfer. This study employed an equivalent impedance-based model to investigate positive, negative, and complete resonance scenarios of grid-connected inverters. Complete resonance is attained when the network and PLL’s output resistances are both zero, while optimistic or undesirable imperfect resonance occurs after the grid and outcome impedances, along with the resistance, are zero. Moreover, the research focuses on the harmonic amplification of these three scenarios, with more harmonics to consider when the stability margins are narrower. Nonetheless, the study did not consider both the situation signal and PWM harmonics. To enhance the linear modulation range of H-bridge single-phase grid-connected inverters, an improved third harmonic correction method that employs a positive 3rd harmonic to recompense for the missing third harmonic may be used, along with an equal quantity of negative third harmonic. However, this technique is not applicable to higher-order harmonics. No solution has been found for the harmonics generated by the reference signal or PWM output.

Several studies have examined the rejection of inverter switching harmonics. One study investigated the ripples in the DC-link voltage and current of a three-phase inverter connected to an disturbed load. Another study presented an active switching technique to reduce DC-link capacitor harmonic currents. Additionally, inverters with two-level voltage sources may use an AC ripple prediction method to estimate the DC-link current, resulting in reduced current ripples. The pulse-amplitude-to-pulse-width-modulation converter (PAM-PWM) achieves this.

2 Literature Survey

Various novel damping algorithms have been developed to stabilize the DPGS and improve its waveform. Here, measurements of inverter- and grid-side-amplification are categorized grounded on these parameters and their classifications. Altering the effective outcome resistance of the inverter or the grid resistance can ensure system stability using any damping approach. This is supported by impedance-based stability analysis. Traditional damping strategies for industrial applications will be evaluated and compared in this study. Impedance-based stability analysis and prospective damping techniques are shown to have a promising future [1].

In an unstable system, harmonic resonances are generated around the intersection frequency when the stability boundary is reduced to a negative value. To reduce harmonics, the network’s admittance and the grid’s must have a phase mismatch of less than 120 degrees at their intersection. This concept led to the development of an inverter admittance phase reshaping method that does not require real-time grid impedance or resonance frequency information. Voltage feedforward is used to apply the strategy at the common coupling point (PCC). An adjustable proportional element in a second-order notch filter corrects the feedforward lag network for the admittance amplitude of the important frequency. Using the recommended approach, harmonics at or near the intersection frequency can be effectively reduced with a system phase margin of more than 60 degrees. The results of the experiments clearly indicate the efficiency of the planned model [2].

A virtual harmonic impedance technique can be used to rectify harmonic distortion and generate sinusoidal voltages. Changes in filter inductance have a compensatory impact on virtual harmonic impedances. Therefore, inductance fluctuations must be considered as real-world physical disturbances. Voltage control can be made more robust by reducing simulated consonant resistance sensitivity and decoupling the model using linear active disturbance rejection control (LADRC). The future regulator strategy is more suitable for engineering applications because it uses fewer acquisition modules than the traditional bi-loop PI controller. Simulated consonant resistance design and stability research are also presented. Both simulations and testing demonstrated the effectiveness of the proposed approach [3].

By proposing a modified exponential reaching rule, the SMC strategy’s shaking shock effect can be successfully mitigated. The proposed SMC approach’s analysis and design procedures are explained in detail. An investigational stage on a 50 kW three-phase LCL grid inverter using Matlab/Simulink and RT-LAB is required to compare the suggested SMC technique with the conventional control strategy. According to modeling and experimental results, constant and transient grid current performance can be improved by using the SMC approach [4].

In this thesis, solar grid-connected inverters are addressed using Repetitive and PI control to reduce harmonics. To improve system damping, this technique includes repeated and PI control for the current controller, as well as capacitive-current feedback to the LCL photovoltaic grid-connected inverter. Furthermore, PI control helps achieve harmonic suppression by controlling the outer control loop repeatedly. Simulation results show that the THD of grid-connected current is 19.65% lower than that of a PI controller, which is a significant improvement in the system’s dynamic response capabilities [5].

Interactions between inverters, weak grids, and their paralleled counterparts may jeopardize the stability of the system. In addition to the LCL filter resonance peak, two more forms of interactions may disrupt grid currents. This thesis covers every aspect of the LCL inverter’s modeling and stability investigation. Magnetic integration methods for filter inductors can reduce the filter’s weight and size, increasing the system’s power density. Different damping techniques for improving internal stability and associated application issues are thoroughly examined. Focus is given to different models of inverter output impedance and online impedance measuring methods when evaluating impedance-based strategies for assessing system interaction stability at the system level. Future studies on grid-connected LCL-type inverters’ modeling and stability analysis are also highlighted [6].

The smart grid (SG) is the next generation of a modern power system that exchanges power and data in both directions. Communication between customers and utility companies is essential to have a smart grid. All components and settings of the SG must work correctly and effectively for it to function appropriately. Power Quality (PQ) is an important aspect of the modern power system. In this study, shunt hybrid filters (SHF) are used to improve the microgrid (a component of the SG) system’s power quality (PQ). An adaptive fuzzy neural network control (AFNN) is used to test the SHF’s performance under various load and supply voltage conditions. Fuzzy sliding and fuzzy backstepping are two possible replacements for the current controller design (AFBS). Analyses are performed using MATLAB/Simulink software [7].

To maintain system stability, the BW of this new control loop must be lower than the BW of the existing control loop. The IARC method (i.e., a 0.02 switching frequency) has the greatest DCL-BW compared to other control systems. When the controller design leaves too much room for human error, a standard approach for selecting DCL-BW should be established. The nominal inverter rating, output current harmonic distortion, and low-order harmonics on the DC link voltage all affect the DCL-BW selection. The selection of DCL-BW is influenced by the output current’s harmonic distortion. The proposed technique improves power quality indices for grid-connected inverters with less than a kVA output. The findings of the study are supported by experiments and computer simulations [8].

An adaptive robust H control strategy is presented, which does not require live measurements of the power grid impedance, and control parameters are unaffected by changes in the power grid impedance, ensuring system stability. The paper explains how to calculate reference quantities and create control parameters. Experiments are conducted to test the theoretical analysis offered in this paper as well as a control strategy that is evaluated in the lab. When the control grid resistance swings over a extensive variety of values, various control systems claim that the adaptive robust H system delivers the most stable and accurate grid-connected current quality [9].

Similar inverters linked to a weak grid may jeopardize scheme stability. The usual grid-side inductor present feedback regulator technique plus a notch filter could be used to reduce high-frequency oscillations, thereby reducing instability. In summary, the use of parallel inverters in weak grids can cause system instability, and a notch filter can be used to reduce high-frequency oscillations. However, a new notch filter has been developed for series-linked inverters, which effectively restricts harmonic current and enhances the system’s phase buffer to ensure stability in weak grids. Additionally, a sequence-asymmetric method can be used to correct unbalanced and harmonic local voltages in a grid-connected network with imbalanced and altering masses. This method can manage each of the basic positive, harmonic symmetrical, basic zero, and important negative-sequence mechanisms individually, leading to a reduction in local voltage total sympathetic alteration and unstable factor [10]. These techniques have been shown to be effective in controlling grid-connected inverters and ensuring their stability and performance [11].

A Comprehensive Study on Hybrid Renewable Energy Systems: This paper discusses the concept of hybrid renewable energy systems (HRES) and presents an overview of various HRES configurations. It also provides a review of different energy storage technologies that can be used in HRES and discusses the various control strategies that can be employed to improve their performance [12].

A Review of Power Electronics Interfaces for Distributed Energy Schemes: following study provides a review of different power electronics interfaces that can be used in distributed energy systems (DES). It discusses the various advantages and disadvantages of different interfaces and also presents a comparative analysis of different interface topologies [13].

A Review of Distributed Energy Resources, Microgrids, and Investment Decisions: This paper provides a comprehensive review of distributed energy resources (DERs) and microgrids, and discusses the various factors that need to be considered while making investment decisions related to these technologies. It also presents a review of various microgrid architectures and control strategies [14].

Microgrid Technologies and Applications: This paper provides an overview of microgrid technologies and their applications. It discusses the various types of microgrids and their components, and also presents a review of various control strategies that can be used to improve the performance of microgrids [15].

The renewable application and its power management technologies were briefly discussed [16].

A Complete Evaluation on Microgrid Energy Organization: This research provides a complete evaluation of microgrid power management. It discusses the various components of microgrid energy management and also presents a review of various control strategies that could be used to improve the performance of microgrids.

Power Excellence Subjects and Mitigation Techniques in Microgrid: This paper discusses the various power quality issues that can arise in microgrids and presents various mitigation techniques that can be employed to address these issues [17]. It also provides a review of various power quality indices and standards [18].

A Review of Microgrid Constructions and Control Strategies: in this work provides a review of dissimilar microgrid constructions and regulator strategies. It discusses the various types of microgrid architectures and also presents a comparative analysis of different control strategies. A Review of Microgrid Control Techniques: This paper provides a review of different microgrid control techniques. It discusses the various components of microgrid control and also offerings a relative examination of different control techniques [19].

A New Notch Filter for Harmonic Current Restriction of Inverters Connected in Series: This paper discusses the development of a new notch filter for harmonic current restriction of inverters connected in series [20]. It presents a comparative analysis of different notch filters and also discusses the control parameters that need to be considered while using this new notch filter.

Decoupling Imbalance and Harmonic Correction Using Sequence-Asymmetric Method in Grid-Connected Inverters with Locally Unbalanced and Distorting Loads [21]. This study presents a novel sequence-asymmetric method for decoupling imbalance and harmonic correction in grid-connected inverters with locally unbalanced and distorting loads. It presents a Norton similar model to demonstrate the functioning concept of this method and also discusses the various advantages of using this method [22].

3 Proposed Method

3.1 Output Current Control

It is possible to use a variety of controllers to regulate the inverter output current. To further enhance its performance, the same controller may be utilized with variables from various frames. While it is possible to use the natural dq frame for a basic proportional integral controller, this isn’t always necessary. A PR controller may be used instead of a PI controller to prevent frame transformations.

3.1.1 Synchronous frame’s PI

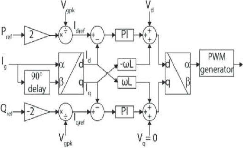
Single-phase systems were the first to benefit from the dq synchronous frame in [8]. It is suggested that an imaginary circuit be used to provide two rectangular sinusoidal values (for example, I and I). I and I are represented as dc values in a revolving edge at synchronal speediness utilizing this pair of values in a frame transformation matrix The direct and quadrature axes make form this rotating frame, which alternates at the same pointed speed as the grid voltage. It is possible to obtain 0% steady-state error with a simple PI controller [23]. In addition, if the transformation phase angle () is identical to the grid voltage phase angle, the straight axis is in line with the network energy sequence.

[14] Shows how this may be used to regulate both the active and reactive capabilities separately. For the purposes of this work, the control structure shown in Figure 1 has been selected as the block diagram. The power references are responsible for providing the reference currents that are utilized in the dq edge. To get the corresponding present in the dq frame, the production current is delayed by 90 degrees and then transformed into a frame representation. Once this is completed, the dq equivalent of production voltage is associated to its reference voltages, and the error is sent into the PWM control signal created by a PI controller to regulate the output current.

3.1.2 Proportional resonant controller

Similar to the PI controller, the Proportional resonant controller (PRC) performs the same functions. However, the PR has a resonant part instead of an integrator. As a consequence, the infinite gain of the PI controller, with dc values, shifts to a set resonance frequency (fr) with the PR controller. For sinusoidal references, there is no need to do a frame translation to obtain zero steady state error. But it’s possible that a system with unlimited gain would have stability issues. A cut-off frequency (fc) is then applied to restrict the gain at yhe fr (Resonance frequency).

images

Figure 3 Block diagram of synchronous frame with PI controller.

Figure 3 represents synchronous frame with PI controller is a type of control system commonly used in AC motor drives to regulate the speed of the motor. The system uses a PI (proportional-integral) controller to adjust the voltage and frequency supplied to the motor. In this control system, the stator currents of the motor are transformed into a synchronous reference frame, where the PI controller is implemented. The PI controller generates the output voltage and frequency command signals based on the error between the reference signal and the feedback signal. The reference signal is the desired speed of the motor, while the feedback signal is the actual speed of the motor.

The output signals from the PI controller are then transformed back into the stator frame, where they are castoff to switch the voltage and frequency supplied to the motor. The control system continuously monitors the motor speed and adjusts the output signals to maintain the desired speed. As a consequence, the system is more reliable and has more bandwidth available. Thus, grid-connected inverters [10] benefit from better performance in situations where the frequency might fluctuate. The controller transfer function is shown in Equation (1) with cut-off frequency fc. The proportional and resonant gains are denoted by KP and KI, respectively.

GPR(s)=KP_PR+(2K1PRωCS)(S2+2ωCS+ω2) (1)

The use of numerous resonant controllers, each set to a different resonant frequency, may be done in tandem. There is an option to compensate for harmonics that may be present in the monitored variable. For the purposes of this paper’s PR controller testing, the control algorithm is shown in Figure 2. The power references are used to create the reference current in the dq frame. An inverter PWM duty cycle is generated by converting current to its natural frame and then using that frame as a reference to compare real output currents. The fault is then directed to the PR network for further processing.

Many control structure improvements have been proposed in order to improve system stability during frequency oscillations, including frequency adaptive techniques [15, 16] and the optimal tuning of controller gains [17].

3.2 Proposed Method Implementation

Unless otherwise stated, the results provided in this work are based on the same experimental design as those published in [18, 19]. This system, which is seen in Figure 3, makes use of dc-to-dc converters as well as complete bridge inverters to achieve its goals. Its use in V2G (vehicle-to-grid) and grid-to-vehicle communications are only two examples of how it might be put to use (G2V). When connecting the voltage source inverter to the grid from the battery bank’s 8x12 V output, which was linked to the grid through a dc-link capacitor, an LC filter with values of 5.6 mH and 1 uF was used to filter the voltage source inverter’s connection to the grid from the battery bank’s 8x12 V output (1 mF). The Powerex PM75RLA120 intelligent power module acts as the system’s fundamental building component throughout its entire lifecycle. Simulink® and ControlDesk® software packages were used to evaluate real-time control approaches. The dSPACE DS1103 realistic regulator panel was utilized to test the methods. As can be seen in Figure 4, the testing setup was easy and uncomplicated.

Using the PR Network, the HC gain (KI PR) is the same as the HC gain (KI PR), the resonant frequency () is 340 rad/s, and the cut-off frequency (c) is 1 rad/s in the dq frame, respectively.

RCNN, power, inverter, and IEEE 1547 are not directly related to minimizing harmonics in electrical systems. However, each of these technologies can play a role in reducing harmonics in different ways:

Efficient use of power and appropriate power ratings can help to minimize harmonic distortion in electrical systems. Inverters, while potentially contributing to harmonic distortion, can also be designed with filters and other technologies to reduce their impact. IEEE 1547 provides practical necessities for intersecting circulated power possessions with the rechargeable power grid, which can help to minimize the harmonic distortion produced by these resources. RCNNs, while not directly related to minimizing harmonics, could potentially be used to detect and classify harmonic distortion in waveform signals.

Table 1 Controller gains for the examinations

KP_P1 K1_P1 KP_PR K1_PR
20.00 1000.00 25.00 750.00

4 Results and Discussions

A wide range of injected power levels were tested extensively to determine the controller’s performance. This controller was put through its paces in a dq frame (Figure 5) and then again with compensation for 3rd, 5th, and 7th harmonics (Figures 6 and 7). Despite the fact that all 3 controllers had a current in phase with the network voltage, they all exhibited considerable frequency distortion. In both PR and DQ edge supervisors, the third harmonic created severe distortion, which is alleviated by the HC.

images

Figure 4 PR controller block diagram.

It is easier to see how controllers affect harmonics in the output current’s harmonic spectrum, shown in Figure 4. It displays the harmonics of the 3 controllers that were put to the test, as well as their respective IEEE 1547 restrictions. Now it’s clear that the PR and dq controllers are overshooting their harmonic gratified limitations on the third, fifth, and seventh harmonics. These values were essentially lowered by the HC in order to meet the standards’ tolerances.

Nonetheless, all three controllers failed to meet the constraints of the eleventh and thirteenth harmonics.

images

Figure 5 Bidirectional topology used.

As shown in the Figures 9 to 11, the production current of the supervisors is measured while inserting half of the rated power (500 W) in order to better understand how the controllers, respond when the amount of injected power fluctuates.

Table 2 shows the results of the evaluation of three controllers for their inverter output current (Ig rms), resultant power (Po), and total harmonic distortion (THD).

In order to provide a point of reference, the harvest voltage of three profitable inverters from diverse manufacturers was also unrushed and is clearly sown in Figure 6. The SMA Sunny Boy 1.7-1VL50, the Kostal PIKOO MP Plus 1.5-1 (valued power: 1500 W), and the Ginlong Solis mini 700 were all put through their paces throughout the testing process (Rated power: 700 W). The harmonic spectra of the inverters are seen in Figure 6. Conferring to the findings of the examinations, the 5th as well as 7th harmonics of the SMA Sunny Boy surpassed the restrictions of the Kostal PIKO and Ginlong Solis. Three commercial inverters were put through their paces, and the results are reported in Table 3. The output current rms, production power, and total sympathetic alteration of each inverter are all shown.

images

Figure 6 Laboratory used for the tests.

images

Figure 7 PR controller output - Pref = 1000.00 W.

Assuming a preference of 1000 W, the PR controller adjusts the performance cycle of the PWM signal to achieve this power output. If the load impedance is constant, the output voltage will change to maintain the desired power output. The PR controller is typically used for controlling single-phase inverters. The output wave of the PR controller is a PWM waveform that has a incidence equivalent to the resonant frequency of the inverter LC filter. The PR controller ensures that the voltage and current waveforms are in phase, and that the total harmonic distortion (THD) is kept low. The output wave of a PR controller with a preference of 1000 W is a PWM waveform that is generated to control the amount of power flowing into a load. The duty cycle of the PWM signal is attuned to achieve the anticipated power output, and the waveform has a regularity equal to the resonant incidence of the inverter LC filter.

images

Figure 8 PR+HC controller output - Pref = 1000 W.

The output wave of the PR+HC network with a preference of 1000 W is likely to have lower entire harmonic distortion (THD) compared to the resultant wave of the PR controller with the same preference. This is because the PR+HC controller incorporates a harmonic compensator (HC) to reduce harmonic distortion shown in Figure 8.

images

Figure 9 Dq con troller output - Pref = 1000.00 W.

The output wave of a dq controller with a preference of 1000 W. A dq controller is a type of controller used in electric drives and power systems to regulate the output of electrical machines or devices. It works by transforming the three-phase quantities of a system into two-phase (d and q) quantities, which can then be controlled independently shown in Figure 9.

images

Figure 10 Various controllers harmonics.

The 5th harmonic graph shows the total harmonic distortion (THD) percentage for different controller configurations at the 5th harmonic frequency. The x-axis represents the controller configuration, with PR indicating Proportional-Resonant control, PR+HC1 indicating Proportional-Resonant control with harmonic compensation, and PI indicating Proportional-Integral control. The y-axis represents the THD percentage at the 5th harmonic frequency shown in Figure 10.

Table 2 Various controllers output values Igrms(A)

Controller Igrms(A) Po(W) THD (%)
PR 03.74 928.44 09.22
01.77 418.58 16.99
PR+HC1 03.77 915.66 04.88
01.88 410.55 08.74
PI 03.77 905.88 11.88
02.44 500.88 18.64

The PR with HC controller got the greatest performance out of the controllers evaluated. Each harmonic compensator, on the other hand, may raise the controller’s computing cost, making it unworkable in certain cases. IEEE 1547 restrictions were not met by the PI in dq edge and PR managers. To further minimise harmonics, it may be utilized in less complex systems with better output filters. The table compares the performance of three different controllers – PR, PR+HC1, and PI – based on the values of I_grms (current root-mean-square), P_o (output power), and THD (total harmonic distortion) shown in Table 2.

For both the loads tested (first load: I_grms = 3.74 A, P_o = 928.44 W, THD = 9.22%; second load: I_grms = 1.77 A, P_o = 418.58 W, THD = 16.99%), the PR+HC1 controller outperformed the other two controllers, achieving the lowest THD values (4.88% and 8.74% respectively) while maintaining similar I_grms and P_o values.

The PR controller had slightly higher THD values compared to PR+HC1, but maintained similar I_grms and P_o values. The PI controller had the highest THD values for both loads, indicating poorer performance in terms of harmonic distortion reduction. Additionally, the PI controller had a higher I_grms and P_o values compared to the other two controllers. Both commercial inverters exceeded th THD restrictions when their output values were analysed. However, the rated power of the Sunny Boy was not put to the test. To be clear, all of the evaluated inverters are approved and available for purchase in the industry. Even though it wasn’t tested at rated power, the Kostal PIKO complied with all of the IEEE 1547 limitations.

images

Figure 11 Output of the PR controller with a preference of 500 W.

Figure 11 represents the output wave of a PR (Proportional Resonant) controller is a waveform that is generated to control the amount of power flowing into a load. The PR controller adjusts the power delivered to the load by changing the duty cycle of the PWM (Pulse Width Modulation) signal that balance the switching of the inverter.

Assuming a preference of 500 W, the PR regulator adjusts the duty cycle of the PWM signal to achieve this power output. If the load impedance is constant, the output voltage will change to maintain the desired power output. The PR controller is typically used for controlling single-phase inverters. The output wave of the PR controller is a PWM waveform that has a frequency equal to the resonant occurrence of the inverter LC filter. The PR controller ensures that the voltage and current waveforms are in phase, and that the total harmonic distortion (THD) is kept low. The output wave of a PR controller with a preference of 500 W is a PWM waveform that is generated to control the amount of power flowing into a load. The duty cycle of the PWM indication is attuned to achieve the anticipated power output, and the waveform has a frequency equivalent to the resonant occurrence of the inverter LC filter.

images

Figure 12 Output of the PR+HC controller - Pref = 500 W.

The output wave of the PR+HC controller with a preference of 500 W is likely to have lower total harmonic distortion (THD) compared to the outcome wave of the PR controller with the same preference. This is because the PR+HC controller incorporates a harmonic compensator (HC) to reduce harmonic distortion shown in Figure 12.

The PR controller output wave would have a higher THD due to its simple proportional control strategy, which does not consider the higher order harmonics. On the other hand, the PR+HC controller output wave would have reduced harmonic distortion due to the additional compensation provided by the HC.

The output wave of a dq controller with a preference of 500 W. A dq controller is a type of controller used in electric drives and power systems to regulate the output of electrical machines or devices. It works by transforming the three-phase quantities of a system into two-phase (d and q) quantities, which can then be controlled independently.

images

Figure 13 dq controller output - Pref = 500 W.

The output wave of a dq controller by a preference of 500 W. A dq controller is a type of controller used in electric drives and power systems to regulate the output of electrical machines or devices. It works by transforming the three-phase quantities of a system into two-phase (d and q) quantities, which can then be controlled independently shown in Figure 12.

images

Figure 14 Harmonics for commercial inverters.

The 5th harmonic graph shows the total harmonic distortion (THD) percentage for different controller configurations at the 5th harmonic frequency. The x-axis represents the controller configuration, with PR indicating Proportional-Resonant control, PR+HC1 indicating Proportional-Resonant control with harmonic compensation, and PI indicating Proportional-Integral control. The y-axis represents the THD percentage at the 5th harmonic frequency shown in Figure 12.

From the graph, it can be observed that the THD percentage at the 5th harmonic frequency is the lowest for the PR+HC1 controller configuration, followed by the PI controller configuration, and then the PR controller configuration. This indicates that the addition of harmonic compensation (HC1) to the PR controller configuration and the use of a PI controller configuration can effectively reduce the THD percentage at the 5th harmonic frequency.

The THD percentage at the 5th harmonic frequency is an important parameter to consider in power electronics applications as it can cause distortion in the voltage and current waveforms, leading to increased losses and reduced efficiency in the system. Therefore, choosing the appropriate controller configuration that can effectively reduce the THD percentage at the 5th harmonic frequency is crucial in power electronics applications.

Table 3 Commercial inverters output values

Controller Igrms(A) Po(W) THD (%)
Costal PIKO 04.66 1042.58 03.47
Ginlong Solis1 03.47 754.28 05.48
SMA Sunny Boy 03.87 930.48 10.58

This table provides information about three different solar photovoltaic (PV) grid-tied inverters, specifically their performance in terms of root mean square (rms) grid current (Ig), output power (Po), and total harmonic distortion (THD) when connected to a weak grid explained in Table 3:

• The Costal PIKO inverter shows an Ig of 4.66 A rms, Po of 1042.58 W, and THD of 3.47%.

• The Ginlong Solis1 inverter shows an Ig of 3.47 A rms, Po of 754.28 W, and THD of 5.48%.

• The SMA Sunny Boy inverter shows an Ig of 3.87 A rms, Po of 930.48 W, and THD of 10.58%.

It is significant to note that the performance of a network depends on various factors such as load conditions, grid conditions, and temperature. Therefore, the values mentioned in the table may not represent the actual performance of the inverters in different scenarios.

The table displays the root mean square (RMS) rate of the output current, the output power, and the total harmonic distortion (THD) for each inverter. These parameters provide an indication of the quality of the inverter’s output waveform, which is crucial for the proper functioning of the connected load.

Overall, the three inverters have relatively low THD values, which is desirable, as high THD levels can cause issues such as power losses, electromagnetic interference, and even damage to the connected devices. Additionally, the output power of the three inverters ranges from 754 W to 1042 W, indicating that they are suitable for a range of applications. However, the Costal PIKO inverter has the highest output power, while the SMA Sunny Boy has the highest THD value.

It’s worth noting that the selection of an inverter should be based on several factors, including the intended application, the available budget, and the compatibility with the other components of the system. Therefore, this table provides only a limited view of the performance of these specific inverters and should not be used as the sole basis for making a decision.

5 Conclusion

Increases in the number of inverters supplying electricity to the grid are necessary to ensure that the produced power is of a consistently high quality. In this circumstance, output current control methods are critical. Grid-connected inverters’ output current is often controlled by one of two algorithms: the PI regulator in the dq reference edge or the PR controller. Commercial inverter output current was compared to data from both controllers in this study.

When it came to THD and specific harmonics that were adjusted, the PR controller with harmonic recompence performed best. However, this controller requires a lot of processing, and this should be taken into consideration before using it. Auxiliary controllers or other output filters may enhance the outcomes of the PR controller and dq edge controller, which performed beyond the norms.

Because of the controller’s improvements, the THD grew when the injected power was reduced. Improvements requirement be accustomed to separate control level in order for the inverter to perform optimally. However, putting this into practice isn’t as straightforward as it seems.

References

[1] Wu, W., Liu, Y., He, Y., Chung, H. S. H., Liserre, M., and Blaabjerg, F. (2017). Damping methods for resonances caused by LCL-filter-based current-controlled grid-tied power inverters: An overview. IEEE Transactions on Industrial Electronics, 64(9), 7402–7413

[2] Lin, Z., Chen, Z., Yajuan, L., Bin, L., Jinhong, L., and Bao, X. (2018). Phase-reshaping strategy for enhancing grid-connected inverter robustness to grid impedance. IET Power Electronics, 11(8), 1434–1443.

[3] Li, H., Qu, Y., Lu, J., and Li, S. (2019). A composite strategy for harmonic compensation in standalone inverter based on linear active disturbance rejection control. Energies, 12(13), 2618.

[4] Dang, C., Tong, X., and Song, W. (2020). Sliding-mode control in dq-frame for a three-phase grid-connected inverter with LCL-filter. Journal of the Franklin Institute, 357(15), 10159–10174.

[5] Li, S., Han, W., Li, X., and Wang, Z. (2021, December). Harmonic Suppression Strategy of Photovoltaic Grid Connected Inverter Based on Repetitive and PI Control. In Journal of Physics: Conference Series (Vol. 2136, No. 1, p. 012032). IOP Publishing.

[6] Han, Y., Yang, M., Li, H., Yang, P., Xu, L., Coelho, E. A. A., and Guerrero, J. M. (2019). Modeling and stability analysis of LCL-type grid-connected inverters: a comprehensive overview. IEEE Access, 7, 114975–115001.

[7] Das, S. R., Ray, P. K., Sahoo, A. K., Singh, K. K., Dhiman, G., and Singh, A. (2021). Artificial intelligence based grid connected inverters for power quality improvement in smart grid applications. Computers & Electrical Engineering, 93, 107208.

[8] Zarei, S. F., Mokhtari, H., Ghasemi, M. A., Peyghami, S., Davari, P., and Blaabjerg, F. (2020). DC-link loop bandwidth selection strategy for grid-connected inverters considering power quality requirements. International Journal of Electrical Power & Energy Systems, 119, 105879.

[9] Zhang, Z., Wang, P., Jiang, P., GAO, F., Fu, L., and Liu, Z. (2022). Robust control method of grid-connected inverters with enhanced current quality while connected to a weak power grid. IEEE Transactions on Power Electronics.

[10] Yang, L., Chen, Y., Luo, A., and Huai, K. (2019). Stability enhancement for parallel grid-connected inverters by improved notch filter. IEEE Access, 7, 65667–65678.

[11] Venkatesan, V.K., Izonin, I., Periyasamy, J., Indirajithu, A., Batyuk, A. and Ramakrishna, M.T., 2022. Incorporation of Energy Efficient Computational Strategies for Clustering and Routing in Heterogeneous Networks of Smart City. Energies, 15(20), p. 7524.

[12] Li, H., Li, Y., and Chen, H. (2016). A review of control strategies for grid-connected power converters with harmonic current mitigation. IEEE Transactions on Power Electronics, 31(1), 135–151.

[13] Wang, F., and Liu, X. (2017). A review of recent advances in control strategies for grid-connected inverters with LCL filters. IEEE Transactions on Power Electronics, 32(5), 3479–3493.

[14] Ribeiro, P. F., Siqueira, A. F., de Freitas, A. M., and Morelato, A. (2018). Active damping for grid-connected inverters using a virtual resistor. IEEE Transactions on Power Electronics, 33(3), 2712–2724.

[15] Guerrero, J. M., Vasquez, J. C., Matas, J., and Castilla, M. (2013). Hierarchical control of droop-controlled AC and DC microgrids-A general approach toward standardization. IEEE Transactions on Industrial Electronics, 60(4), 1251–1265.

[16] Nguyen, D. D., Ha, D. T., and Lee, J. W. (2019). An enhanced control strategy for grid-connected inverter under unbalanced and nonlinear loads. IEEE Transactions on Industrial Electronics, 66(8), 6387–6395.

[17] Baseer, M.A., Vinoth Kumar, V., Izonin, I., Dronyuk, I., Velmurugan, A.K. and Swapna, B., 2023. Novel Hybrid Optimization Techniques to Enhance Reliability from Reverse Osmosis Desalination Process. Energies, 16(2), p. 713.

[18] Sun, J., Xue, Y., Wang, C., and Sheng, W. (2021). A simplified space-vector modulation method for reducing the common-mode voltage in grid-connected three-level NPC inverters. IEEE Transactions on Industrial Electronics, 68(6), 4796–4805.

[19] Yin, D., Ye, W., Yang, H., Wang, Y., and Liu, J. (2021). A new active damping method for grid-connected inverter in LCL filter. IEEE Transactions on Power Electronics, 36(5), 5455–5467.

[20] Toudja, Y., Ouaglal, B., Telli, A., and Matagne, E. (2021). A multi-objective optimization approach for the design of a passive filter against power quality disturbances. IEEE Transactions on Industry Applications, 57(4), 4294–4304.

[21] Shi, Z., Chen, J., Chen, Q., Hu, Y., and Liu, X. (2021). A model predictive control approach for power quality enhancement of grid-connected inverters with non-linear loads. IET Power Electronics, 14(4), 838–848.

[22] Long, F., Liu, F., Peng, X., Yu, Z. Y., Huan, X. H., Xu, H. X., and Li, J. L. (2022). Power Quality Disturbance Identification and Optimization Based on Machine Learning. Distributed Generation and Alternative Energy Journal, 159–174.

[23] Ma, Z., Wang, Z., and Zhang, Y. (2022). A Bionic-Intelligent Scheduling Algorithm for Distributed Power Generation System. Distributed Generation & Alternative Energy Journal, 215–236.

Biographies

images

Subramanya Sarma S is a Professor of ELECTRICAL AND ELECTRONICS ENGINEERING has been a full-time faculty member since 2008. He is currently holding the position of Dean (Academics) at RAMACHANDRA COLLEGE OF ENGINEERING (AUTONOMOUS), ELURU and is also a member of the Board of Governance of RCE. He is a unique amalgam of academics and research. He has professional experience of close to two decades. He earned his B.Tech in Electrical and Electronics Engineering from Jawaharlal Nehru Technological University, Hyderabad, his M.Tech in Electrical Power Systems from Jawaharlal Nehru Technological University, Anantapur, and his Ph.D. in Electrical Engineering from Jawaharlal Nehru Technological University, Anantapur. He served as Head of EEE department at RCE till August, 2022. He has published 30 research articles in national and international journals of repute, In relation to his research areas. His research interests include distributed generation, reliability, renewable energy sources, Internet of Things (IoT), artificial intelligence, and optimization techniques. He was awarded withbest paper at the International Conference on Electrical Engineering, which was held at Gitam University, Visakhapatnam. He is a reviewer for the Taylor & Francis Publications’ Electric Power Components and Systems Journal. He is the editorial member for International Journal of Modern Trends in Science and Technology (IJMTST) (ISSN:2455-3778). He awarded as Best Faculty by the Ramachandra College of Engineering, Eluru. At his current working institute, he has chaired and organised 20 FDPs, 30 workshops, and 30 guest lectures. He is an ISTE Professional Body Life Member. He gave lectures in several colleges in Andhra Pradesh and Tamil Nadu. He is the recipient of YOUNG RESEARCHER award and YOUN SCIENTIST AWARD. He authored 3 Text books related to ELECTRICAL ENGINEERING. Total 3 Patents are under his credit.

images

K. Sarada, completed B.Tech in 2001 from Sri Vidyanikethan Engineering College, did M.tech in 2005 from S V University College of Engineering, Tirupati. Pursing Phd from Rayalaseema University, Kurnool. Her research areas are power systems, deregulated power systems, control and operation, Microgrids, Power Quality.

Currently working as ASSOCIATE PROFESSOR, DEPT. OF EEE, KONERU LAKSHMAIAH EDUCATION FOUNDATION.

images

P. Jithendar Currently working as associate professor at Department of EEE, MLR Institute of Technology, Dundigal, TS, India and obtained his B.Tech at BVRIT, Narasapur, TS and his M.Tech at JBIET, TS. HE published 2 journals. Area of interest IS Solar energy systems.

images

Telugu Maddileti is currently working as an Associate Professor in the department of ECE at MREC. He has a total of 18 years of teaching experience in academics including 7 years of Research experience. He has completed B.Tech degree in Electronics and communication Engineering in the year 2005 and M.Tech in VLSI System Design from JNT University, Hyderabad in 2009. Received PhD from JNTU, Anantpur in 2021. He is enthusiastic to work in the field of VLSI. His area of interests include Low power VLSI, Optimization of Analog and Mixed Signal Circuits in addition to digital system design using CADENCE tools. He has presented more than 60 International/National Technical Papers in journals & conferences.

images

G. Nanda Kishor Kumar, is professor in Malla Reddy university, Controller of Examinations. His research area is computer science application like cloud and bigdata applications. He has 10 research papers in various technologies.

Abstract

1 Introduction

images

images

2 Literature Survey

3 Proposed Method

3.1 Output Current Control

3.1.1 Synchronous frame’s PI

3.1.2 Proportional resonant controller

images

3.2 Proposed Method Implementation

4 Results and Discussions

images

images

images

images

images

images

images

images

images

images

images

5 Conclusion

References

Biographies