Smokeless Cookstove with Mobile Phone Charging Solutions in Islanded Mode

Risha Mal*, Souvik Dey, Saharab Mohsin and Gyandeep Daimari

Electrical Engineering Department, National Institute of Technology Silchar, Assam, India

E-mail: risha.mal@gmail.com

*Corresponding Author

Received 23 September 2020; Accepted 30 November 2020; Publication 26 January 2021

Abstract

This research work signifies about fulfilling electrical energy demands for communication and internet access for the people residing in remote locations and off-grid areas. These remote areas may be surrounded to mobile communication facility but deprived to continuous power availability. The electrical energy is the vital necessity is to charge the electronic gadget to access the communication network without interruption. Most predominantly, mobiles phones and tablets are mainly used for communication and internet access. Therefore, the electrical energy is an essential requirement to charge the mobile phones even in off-grid areas. The solar power and thermoelectric technologies while integrated with cookstove may be one of the sustainable solutions for mobile phone charging and may play important role to uplift such off-grid regions by facilitating access to communication networks. The Thermoelectric Generator (TEG) and a Solar Photo Voltaic (SPV) are integrated to a cookstove for power generation. These two technologies are broadly discussed in this paper with its design and development while integrated with cookstove.

Keywords: Thermoelectric generator (TEG), combustion, solar photo voltaic (SPV), mobile phone charger, biomass cookstove.

1 Introduction

A biomass cookstove is a heating device that helps user to cook food in traditional way mostly in developing countries. The fuel required for cooking in cookstoves are usually organic waste like fire wood, cow dung cakes, crop residues, corn cobs etc. The burning of organic waste results in high harmful emissions in the form of smoke and soot. The emissions are the resultant of incomplete combustion of fuel due to insufficient air-to-fuel ratio. About half of the population of world cooks food on biomass cookstoves. The harmful effects of indoor air pollution are affected to women and children. A puff of wood burning stove is equivalent to smoking many cigarettes simultaneously (Bonjour et al, 2013).Above half of the premature deaths among children under the age of 5 are due to pneumonia caused by particulate matter (soot) from burning biomass that is inhaled from indoor air pollution (IAP). The diseases include chronic obstructive pulmonary disease (COPD), lung cancer, ischaemic heart disease, and stroke attributed to exposure to household air pollution. This condition is mostly prevalent in developing countries like Asia, Africa, Middle East where most are poor, and live in low- and middle-income [2]. The gathering of fuel for cooking sometime leads to women drudgery due to travelling longer miles to fetch fuel [1]. Biomass combustion is the chief contributor to the environmental pollution and degrading health [2]. Renewable energy could be the most economical way for electricity generation.

The traditional biomass cookstove is generally manufactured by the cook itself with the use of clay, biomass and bricks. The making of these biomass cookstove is the most convenient procedure for rural people due to its simplicity, effectiveness, low or almost no cost of manufacturing and ease of re-building once damaged. The use of biomass fuels is so high that it is almost unavoidable and extremely difficult to completely switch to cleaner fuels in near future. The concern of harmful emissions from the biomass cookstove has led to researchers to put efforts on building improved cookstove with less emissions and low fuel consumption. . The United Nations Foundation in 2010 launched a program known as Global Alliance for Clean Cookstoves (GACC), which promotes programs to develop biomass cookstoves for developing countries. The issues dealt by GACC are related to improvising standards and testing methods; promoting ICS adoption, providing financing techniques to assist the upfront costs of ICS; and nurturing consciousness about the benefits of ICS and relationship of clean cooking with COVID-19 [3]. The forced draft biomass cookstove provides better mixing of air with fuel which results in better combustion and low emissions compared to all other types of designs. There are numerous designs of forced draft biomass cookstoves in the market. These forced draft cookstoves run their fan with the help of power supply or rechargeable batteries.

The mobile phone has to keep charged to provide instantaneous communication under off-grid conditions. The challenge is to charge the mobiles even where there is no electricity and still people has access to internet communication. The electrification rates in Indian rural areas are daunting. One third of the rural population of India (approximately 8.2 million household) still remains un-electrified [4]. The majority states are, Meghalaya, Arunachal Pradesh, Assam, Nagaland and Uttar Pradesh. About 80% of the total population of these states are un-electrified household base. There are other conditions like camping, hiking, some military operations in remote areas where un-interrupted communication is required. Hence, charging of mobile phones become extremely necessary in these conditions. Therefore, two technologies are demonstrated in this paper to provide charging of phones in off-grid areas.

The first technology is a thermoelectric generator integrated biomass cookstove. In rural areas people use to cook food in traditional biomass cookstove. The heat of the burning biomass can be harnessed and a thermoelectric module can be introduced to convert the heat energy into electricity. The electricity generated can be used for charging the battery of a mobile.

The second technology is a solar PV based forced draft cookstove. The conversion of sunlight into electricity through semiconductor materials exhibit PV effect. This electrical energy can be utilized to store in a battery and later used for running the fan of the cookstove for better combustion and charging mobile phones. The major drawbacks of solar PV battery charger is that it require high initial cost, low efficiency and they are weather dependent. Therefore, to maintain maximum power from the PV panel, a maximum power point tracker (MPPT) is developed. The developed PV mobile charger is portable and almost maintenance free. The novelty is the design of a compact battery charger by solar PV and its MPPT whose power can be used for running the cookstove fan, charging mobile phone and lighting LED.

Kerosene-fueled wick lamps used for lighting in such areas by millions households in developing-countries are a significant but overlooked source of black carbon (BC) emissions [5–7]. The excess power that will be delivered by such a stove can be used for clean electrical lighting like an LED, a low power consuming bulb or even charge a mobile phone. People in the rural areas are more inclined to inspirational products and they are likely to pay the reasonable amount when they see value out of it. Such cookstoves can easily produce around 3-5 kW of thermal energy. Some of it is lost in the stove body a part of which could be converted to electricity and would be sufficient to run the fan in the stove for clean combustion as well as charge batteries for lighting purposes. The first forced draft TEG powered cookstove was developed for camping purposes [8]. The TEG cookstove for camping is very small for domestic purposes.

2 Technology Developments

2.1 Thermoelectric Generator Technology

To make an off-grid forced draft cookstove a TEG is used to run the fan. The heat of the biomass is directly converted into electricity with the help of the TEG. The excess power generated by the TEG is used for charging a battery whose power is later used to charge mobile phones.

2.2 Solar PV Technology

An uninterrupted power supply is required for the charging of mobile phones and running the fan to improve the combustion of the coostove and reduce emissions. Technology and communication are intertwined with each other closely. Communication has become wireless and done with the help of mobile phones. These mobiles are operated with the help of rechargeable batteries. Therefore, it becomes necessary to charge these phones for the access of network. Statistics indicate that about 24 percent population have smart mobile phones in India. The TRAI (Telecom Regulatory Authority of India) data suggests that tele-density in rural India is growing at a much faster rate than in urban India [9]. The penetration of smart phones will be even more if the charging will be hassle free, portable and uninterrupted. Many rural household do not have smart phones because they are not connected to grid supply to charge their mobiles. To make communication accessible to off-grid population a solar PV mobile charger could be used. The main drawback of solar based cookstove is that, since solar panels are weather dependant they might be sometimes unsuccessful in running the fan. Since the fan is used for reduction in emissions, the deep discharge of the battery due to lack of sunlight, the performance of the cookstove will be compromised. Further, a fan connected to the cookstove has to be powered each time during cooking. This fan improve the combustion of the coostove and reduce emissions by increasing the air-to fuel ratio. The thermal efficiency will increase and there will be very low consumption of fuel. The harmful gases like carbondioxide and carbonmonoxide gas gets cut down due to improvement in combustion.

Both the power generators, TEG and solar PV are attached to the cookstove. Initially the power is required to run the fan of the forced draft cookstove to make the combustion cleaner and provide smokeless cooking. Then, the excess power generated is used to charge the mobile phones.

3 Performance Characteristics of TEG

Upon heating of a semiconductor material the charge carriers from the hot side tends to flow to the cooler side. The charge carriers are non-uniformly distributed on the application of heat. This difference in the concentration in the sides of a semiconductor material aid to build up charge. A back electromotive force created control the flow of charge This phenomenon of conversion of heat energy to develop electrical power is known as Seebeck effect. This effect was initially observed by Thomas J. Seebeck in 1821. the hot and cold junctions of the TEG is made up of two different materials. One is p-type and the other is made up of n-type material. The p-type material has more holes as majority charge carriers and the n-type material has more electrons as majority charge carriers.A single p-type and n-type material form a thermocouple. Many thermocouples are connected electrically in series and thermally in parallel [9].

images

Figure 1 Structure of thermocouples in a TEG module.

Considering the hot side temperature of the TEG as TH and cold side temperature as TC.. The flow of charge charge carriers is from hot side TH to cold side TC. The two different thermocouples are connected to each other by metal contacts to allow flow of current from one p-type material to other n-type material. The output voltage is the result of sum of the voltages produced from each thermocouple is given by Equation (1).

V=(αp-αn)(TH-TC). (1)

Where α is the Seebeck coefficient V/C, TH is the hot side temperature C, and TC is the cold side temperature C.

images

Figure 2 Arrangement of TEG cookstove [11].

The Figure 2 shows that a stainless plate with probes is inserted inside the inner chamber of the cookstove. The TEG is placed between the hot side heat plate and the cold side heat sink. The output voltage is proportional to the temperature difference between the hot side TH to cold side TC of the TEG. The rise of voltage is from 0V to a maximum of 5V with a 1.4 W load of a DC fan. The DC fan runs at a voltage of 12 V. Therefore it becomes necessary to set up the output voltage of the TEG. A DC-DC boost converter with the capacity to stepup minimum input voltage of 1V to output voltage of 12 V is used for the fan. The TEG is capable to generate a power output of 8 W. The fan and the electronics take around maximum of 2 W. The remaining power is utilized to charge the mobile phone battery. The cookstove has multiple advantages. It provides clean combustion with less harmful emissions and also has the facility to charge the mobile for communication and internet access. The actual power output of the TEG is given by Equation (2),

Pactual=V×loadIload (2)

Where, load is the DC-DC step up converter, fan and LED light.

images

Figure 3 Comparison of load voltage with respect to time where black marker shows that the voltage is not significant for any application with respect to time, green marker shows the range of running fan only, and red marker shows the running of fan and lighting of LED simultaneously with the power of TEG.

The Figure 3 shows that the fan takes around 2–4 minutes to start after ignition of the biomass inside the cookstove chamber. The fan runs for around 20–25 minutes and thereafter the power output is sufficient to light a 2W LED light. The cookstove is feed with 1 kg of biomass for one hour. This enable TEG to power LED light for one hour. In place of LED light a mobile phone battery can also be connected for charging.

images

Figure 4 Comparison of power output with respect to time.

images

Figure 5 Final Prototype with LED lighting and mobile charging.

The Figure 4 states that the maximum power output of the TEG is nearly 6W. The electronics and the dc-fan consume nearly 3 W and thus nearly extra 2–3 W power is available for other applications. A LED light of 2 W is tried simultaneously with dc-fan for lighting purpose without compromising the speed of the dc-fan.

4 Simulation Characteristics of Solar PV

A low power solar battery charger can solve the above problem off-grid mobile charging. The insolation of the solar energy varies from morning to evening and with changing climatic conditions. The topology for the proposed technology is given below.

images

Figure 6 Schematic and Block diagram of solar PV mobile charger and fan for cooktove.

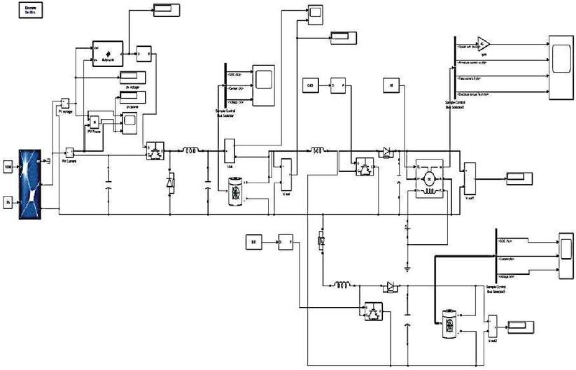
In the Figure 6 a buck converter is used to lower the 12 V of solar PV to 5V to charge the lithium ion rechargeable battery. The buck converter is fed with a MPPT to extract maximum power from the PV panel. Both the lithium ion batteries are of 5 Ah. The diode across the battery will ensure that there is no back flow of power to the battery that is getting charged by the PV panel. The boost converter is used to step up 2 V input to 12 V output because the DC fan used runs on 12 V. The power consumption of the fan is 1.4 W. The excess power generated by the panel will be saved for mobile charging. As the efficiency of solar PV panel is quiet low it becomes necessary to extract maximum power from the PV panel at any given period of time. Therefore, Perturb and Observe algorithm is used to track the maximum power point. It deals with the designing and implementation of low power PV integrated solar battery charger which can store charge energy and can be used whenever needed. As it is portable it can be carried anywhere easily. High frequency DC-DC Buck converter is used to interface the PV panel with load. A rechargeable lithium ion battery is connected across the terminals of the buck converter for storing the charge. A low power PV panel can also be used for tracing the maximum power and voltage by using maximum power point tracking methods. There are many MPPT methods such as Perturb and Observe, incremental conductance, Fractional short circuit current, Fractional open circuit voltage etc. Out of which Perturb and Observe method is used as it is easier to implement and also the time complexity of the algorithm is very less [12, 13]. Lithium ion batteries are rechargeable and use renewable sources for recharging like solar power. They also tolerate movement and temperature changes, as well as maintain their power delivery during use. A combination of both low voltage PV panel and lithium ion battery can be used for solving various power shortage problems [14]. There are initiatives by Solar Urja through Localization for Sustainability (SoULS) initiative of the Indian Institute of Technology (IIT) Bombay, India that developed induction cookstove powered by solar PV. But the price of the domestic cookstove is around 7200 INR which is very high [15]. Our aim is to design a low cost forced draft cookstove that is powered by Solar PV to run the fan of a biomass burning stove. The people will be able to cook in their traditional way without any hindrance. An induction stove requires attributes like custom cookware that is fit for induction cooking. More over the people won’t be able to cook roti and tortillas (staple food of north Indians). So, there are few drawbacks of induction stove for people in rural areas.

As the working model to be developed has to be of cost efficient as well as less bulky, the ratings and specifications of the PV panel and battery chosen are as shown Table 1.

Table 1 Ratings and specifications of the PV panel and battery

S. No. Components Ratings and Specifications
1 PV panel V=oc15 V , I=sc1.3 A, P=max16.2 W
V=max13.5 V, Imax = 1.2 A
2 Lithium Battery Nominal Voltage = 4.2V,
Rated Capacity = 5Ah

A buck converter is used to step down the voltage obtained from the PV to a voltage suitable for charging the battery. Since the load used here is lithium battery which is a nonlinear load, so for the designing of buck converter hit and trial approach is used. For designing the boost converter, the minimum values of inductor, L and capacitor C, are calculated using equation (2) and (3) respectively. The value of resistance R is taken as 0.6 ohm. Since the input voltage Vs, of the boost converter is 2 volt and the output voltage is 12 volt, hence the duty cycle is calculated using Equation (3).

Duty cycle,D=1-(Vs/Vo)=1-(2/12)=5/6=0.83 (3)

Rmax = 0.6 ohm (assumed as the resistance of an armature of a dc motor)

Switching frequency, f = 5000 Hz

Inductance, L=min[0.83*((1-0.83)2)*0.6]/2*5000=1.38 uH

Capacitance, C=min0.83/0.6*0.02*5000=13.8 mF

The circuit for the proposed electrical topology for running the fan and charging the mobile battery is shown in Figure 6. For better precision and less ripples in the output voltage, the values of L and C are increased using hit and trial approach. Therefore the final value of boost converter parameters are: L = 20 uH and C = 10 mF. The circuit for the proposed electrical topology for running the fan and charging the mobile battery is shown in Figure 7.

images

Figure 7 Simulation of the proposed design using MATLAB.

To avoid loss of power and to keep the cookstove, emission free the boost converter works even when the battery has very less charge. The drop in battery voltage of 2 V can also deliver power to the fan. The battery gets fully charged with a voltage of 4.2 V. In Table 2 the parameters of the buck converter connected to the PV panel to charge the rechargeable battery is shown.

The diodes connected to the battery ensure that the batteries get charged. The battery connected to the buck converter stores power from the PV panel. This battery is directly connected to the fan. Due to the MPPT used the curve of voltage and current with respect to time is almost constant. The open circuit voltage is constant at nearly 15V and short circuit current is nearly 1.3 A. With the load of DC fan and the mobile battery and electronics the power consumed is approximately 8 W.

Table 2 Parameters for designing the buck converter

S. No. Components Rating
1 PV panel Voc = 15 V, I=SC1.3 A, P = 16.2 W
2 Inductor for buck converter 50 uH
3 Capacitor for buck converter 14 mF
4 DC link for buck converter 300 μF
5 Switching frequency of PWM

images

Figure 8 Curve of voltage and current vs time.

images

Figure 9 Battery charging characteristics.

As cooking starts mostly around 7–8 AM in the morning, the PV panel charges the battery as the sun rises. The battery stores charge that can be used by the fan to make the cookstove emission free. The mobile can be charged during daytime when the PV charges the battery for longer time as the battery gets fully charged.

images

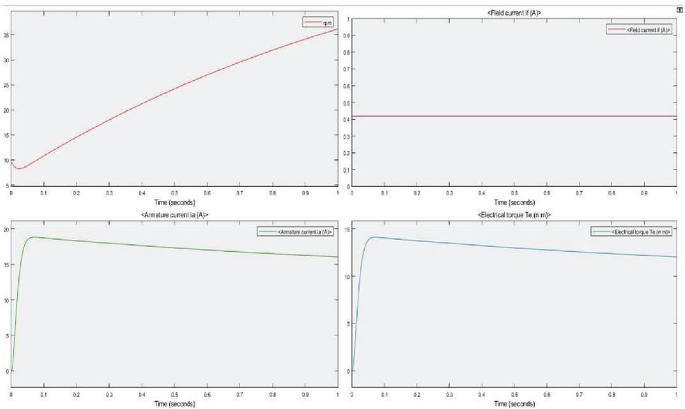
Figure 10 Simulation output showing the working of dc motor.

In simulation the fan is been considered as a dc motor. The dc motor of the fan shows the plot of speed, armature current, field current, and torque versus time in the Figure 10. The curve showing speed vs time has positive slope which shows that the motor is running. The revolution per minute is 35 rad/s, field current is 0.4 A, armature current is 20 mA and torque is 14 N.m as shown in Figure 10.

images

Figure 11 Power after simulation.

Figure 11 shows the power and current versus voltage through MPPT. At nearly 14 V maximum power is achieved. The maximum power delivered is nearly 15 W from the PV panel and usable power gained is 8W. The MPPT circuit helps to maintain the constant power delivery to the rechargeable storage battery. The whole circuit is successfully simulated in MATLAB and ready for implementation.

5 Cost Analysis

The effective cost of the two technologies has to be estimated as it will be disseminated in rural off-grid areas. Thermoelectric generators available in Indian market do not provide sufficient output. The TEG is imported from Marlow industries, USA. Hence, the price of the TEG is the constraint to make the technology affordable. But, when TEG integrated cookstove is manufactured in bulk the cost reduces effectively.

Table 3 Effective cost of TEG integrated cokstove

S. No. Parts TG1208-1LS(INR)
1 TEG+ ceramic wafer + grease 2665
2 Hot plate 520
3 Heat Sink 520
4 Electronics 200
5 Batteries 150
6 Stove 1000
7 Miscellaneous 200
Total 5255

Table 4 Effective cost of solar based cookstove with mobile charger

S. No. Component Rating Price (Rs)
1 PV panel 16 W 700
2 Lithium ion batteries 3.6 V 200
3 capacitor 14 mF 35
300 uF 100
4 inductor 50 μH 40
5 IGBT 313 W 120
6 Fan 1.4 W 60
7 Boost converter 1 V–12 V 200
8 Buck converter 12 V–5 V 200
9 Cookstove 1.7 W 1000
10 Miscellaneous 200
Total 2855

The scaling up of both the technologies will help to reduce the cost of the products. Therefore, on successful implementation of the two technologies, bulk manufacturing is appreciated to make the products affordable and accessible to rural households.

6 Conclusion

Internet has become affordable to most of the population in India. But, a great deal of people residing in rural areas is derived from internet because of being off-grid. Mobile charging in off-grid areas is a challenge. Therefore, the TEG integrated cookstove will have positive impact on health as well as charges mobile phone. The TEG cookstove with solar PV mobile charger is cheaper, portable and will support charging of mobile in off-grid areas. Hence, not having a power supply will not pose as a barrier to access internet even in remote rural areas. The TEG integrated cookstove has been developed and running successfully in some parts of India. The cookstove efficiently cuts down harmful emissions resulting from biomass burning and improves thermal efficiency of the cookstove. It is also capable of mobile charging and lighting a LED lamp. The low watt Solar PV mobile charger has been simulated in MATLAB and successfully executed. In future the cookstove with PV integrated solar mobile charger has to be developed as a product with efficient design and test the results for validation in field. The thermal image processing and machine learning tools may be used to set testing protocols for biomass cookstove integrated with TEG and SPV.

Acknowledgement

The author would like to thank Indian Institute of Technology, Delhi for development of TEG cookstove and National Institute of technology Silchar for supporting solar PV mobile charger.

References

[1] WHO. Fact sheet no. 292, Indoor air pollution and health. Available from: www.who.int/mediacentre/factsheets/fs292/en/ [cited 01.09.2013].

[2] Household air pollution: Health impacts. (2016). Retrieved from https://www.who.int/airpollution/household/health-impacts/en

[3] Clean cooking alliance. (2020). Retrieved from https://www.cleancookingalliance.org/home/index.html

[4] Gill, B; Gupta,A ; Palit, D; Rural electrification: impact on distribution companies in India. https://www.teriin.org/sites/default/files/2019-02/DUF\%20Report.pdf

[5] Lam et al., “Household Light Makes Global Heat: High Black Carbon Emissions From Kerosene Wick Lamps.

[6] Nicholas L. Lam et al., “Household Light Makes Global Heat: High Black Carbon Emissions From Kerosene Wick Lamps,” Environmental Science & Technology 46 (2012): 13531–13538.

[7] Lam et al., “Household Light Makes Global Heat: High Black Carbon Emissions From Kerosene Wick Lamps”; Jacobson et al., Black Carbon and Kerosene Lighting: An Opportunity for Rapid Action on Climate Change and Clean Energy for Development.

[8] Cedar, Jonathan M. (Scarsdale, NY, US), Drummond, Alexander H. (Austin, TX, US), ‘Portable combustion device utilizing thermoelectrical generation’, 8297271, 2012, http://www.freepatentsonline.com/8297271.html

[9] Measures to Improve Telecom Penetration in Rural India – The next 100 million subscribers, Telecom Regulatory Authority of India, Paper No 1/2008. Government of India.

[10] H.J. Goldsmid, ‘Applications of Thermoelectricity’, Methuen Monograph, London, 1960.

[11] Mal R., Prasad R., Vijay V. K., ‘Multi-functionality clean biomass cookstove for off-grid areas’, Process Safety and Environmental Protection, Volume 104, Part A, November 2016, Pages 85–94.

[12] Sukumar,G. Durga. Research Survey on Various MPPT Performance Issues to Improve the Solar PV System Efficiency. 31 July 2016, https://www.hindawi.com/journals/jse/2016/8012432/.

[13] Salman, S., AI, X., & WU, Z. (2018). Design of a P-&-O algorithm based MPPT charge controller for a stand-alone 200W PV system. Protection and Control of Modern Power Systems, 3(1). doi:10.1186/s41601-018-0099-8

[14] Hart, D. W. (2011). Power Electronics. New York, NY: Tata McGraw-Hill Education.

[15] Sasihithlu, Karthik & Telagamsetti, Satheesh & Kulkarni, Prasad. (2018). Design, development of the Solar PV based rice cooker for indoor applications. doi:10.13140/RG.2.2.18774.40005.

Biographies

images

Risha Mal, at present working as an Assistant Professor in Electrical Engineering Department, National Institute of Technology, Silchar, Assam, India (NIT Silchar). She did her Bachelor of Technology (B.Tech.) from Guru Govind Singh Indraprastha University (GGSIPU), New Delhi in Electrical and Electronics Engineering [EEE] in 2010. She did her Master of Technology (M.Tech.) in Electronics & Communication Engineering (ECE) with specialisation in Very Large Scale Integration (VLSI) Design Engineering from National Institute of Technology (NIT), Kurukshetra, Haryana (India) and secured Distinction in 2012. She completed her PhD from Indian Institute of Technology Delhi (IIT Delhi) in the year 2018 in the area of Thermoelectrics.

images

Souvik Dey received his undergraduate B. Tech degree in Electrical Engineering from National Institute of Technology, Silchar in the year 2020. He is a native citizen in the state of Assam, India currently working as an Associate Consultant at Oracle Financial Services Software Ltd. His project work centers on “MPPT based Portable Solar Li-ion battery charger and forced draft cookstove” and he has interest in renewable power systems.

images

Saharab Mohsin received his B.tech degree in electrical engineering from National Institute of technology, Silchar in the year 2020. During his undergraduate program he worked in the topic MPPT based portable solar Li-ion battery charger and forced draft cookstove in his final year project. His main interest is in interfacing devices and computer programming.

images

Gyandeep Daimari received his B.tech degree in electrical engineering from National Institute of Technology, Silchar in the year 2020. During his B.tech he worked in the topic MPPT based portable solar Li-ion battery charger and forced draft cookstove in his B.tech final year project. Currently working as a Management Trainee in Raam Group. His interest is in sustainable development in rural areas.

Abstract

1 Introduction

2 Technology Developments

2.1 Thermoelectric Generator Technology

2.2 Solar PV Technology

3 Performance Characteristics of TEG

images

images

images

images

images

4 Simulation Characteristics of Solar PV

images

images

images

images

images

images

5 Cost Analysis

6 Conclusion

Acknowledgement

References

Biographies